售前:17276494626
售后:400-806-5128
产品介绍:
适用范围
·可在75°C介质条件下长期安全运行,适用于天然温泉水循环。
·适用于大型水上世界、海洋馆,大型游泳池等水循环过滤系统。
工作条件
·介质温度:0~+75°C
·环境温度:<+50°C
·最大工作压力:0.7MPa
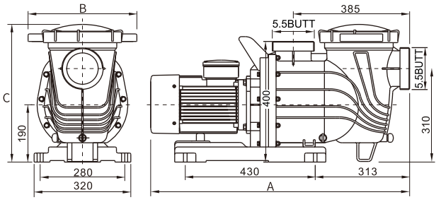
BHP-BHP-E系列高性能水泵
HLLF系列水泵
KBP系列海水专用泵